LOADING

JAKE SEALINE

Marinhealth Medical Center

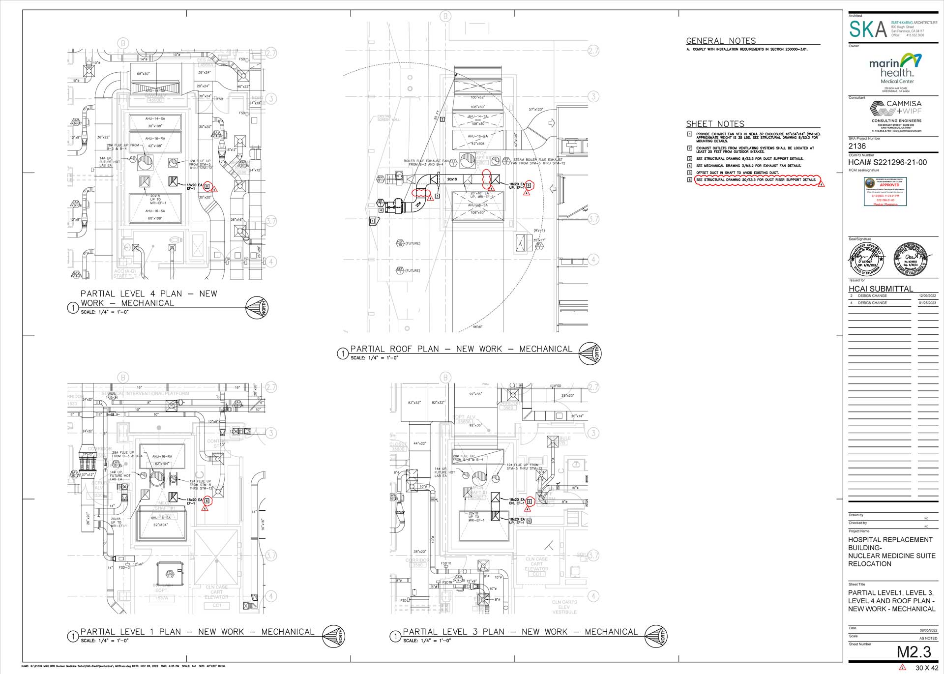
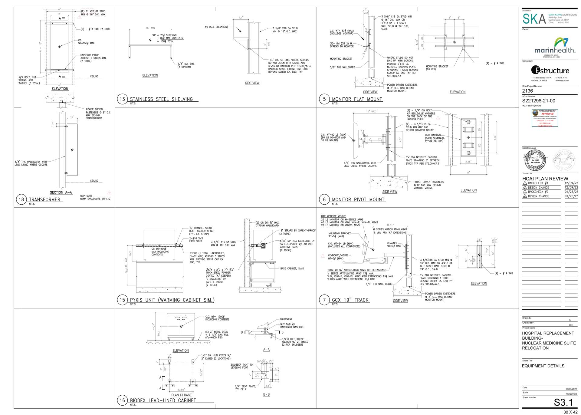
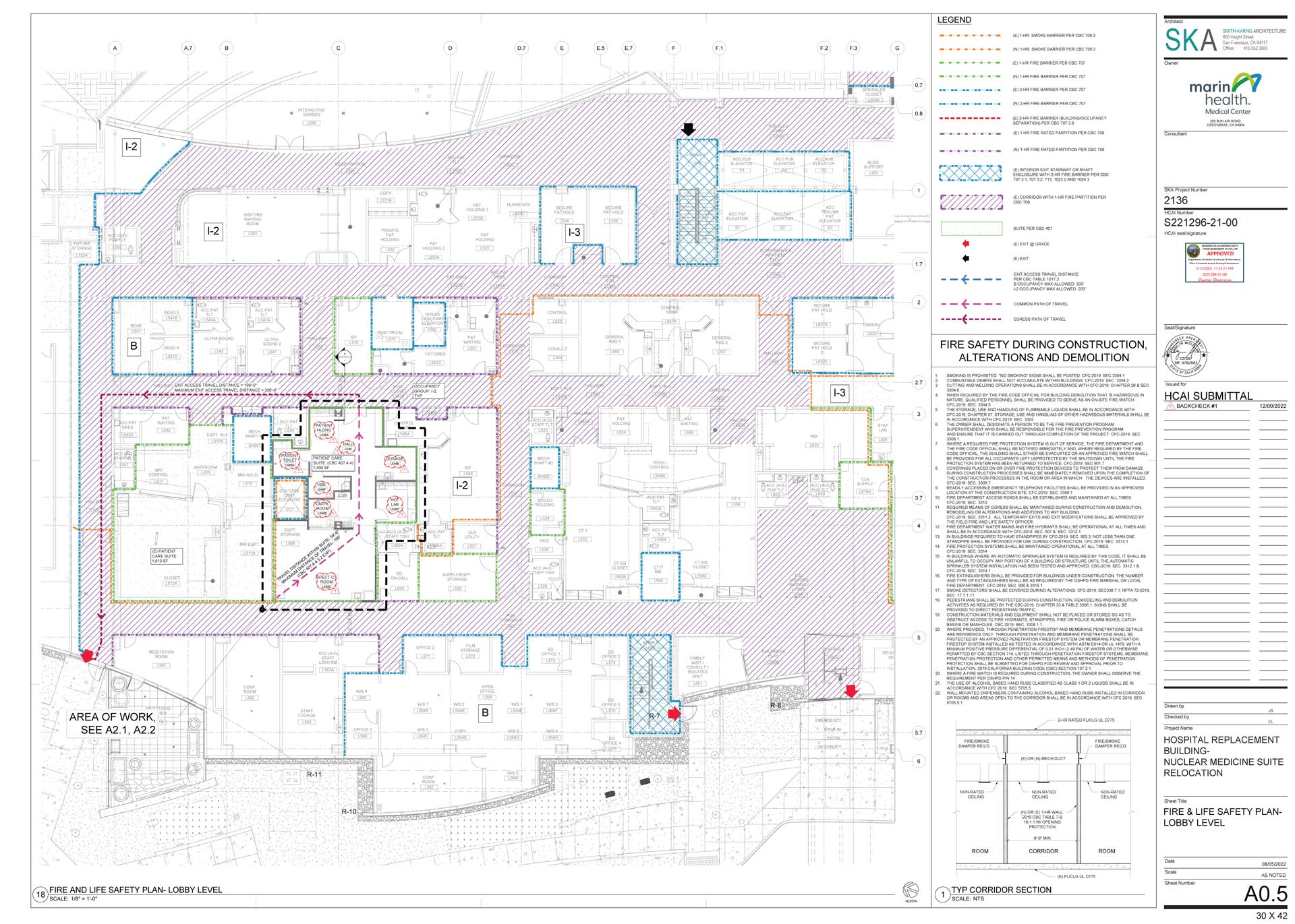
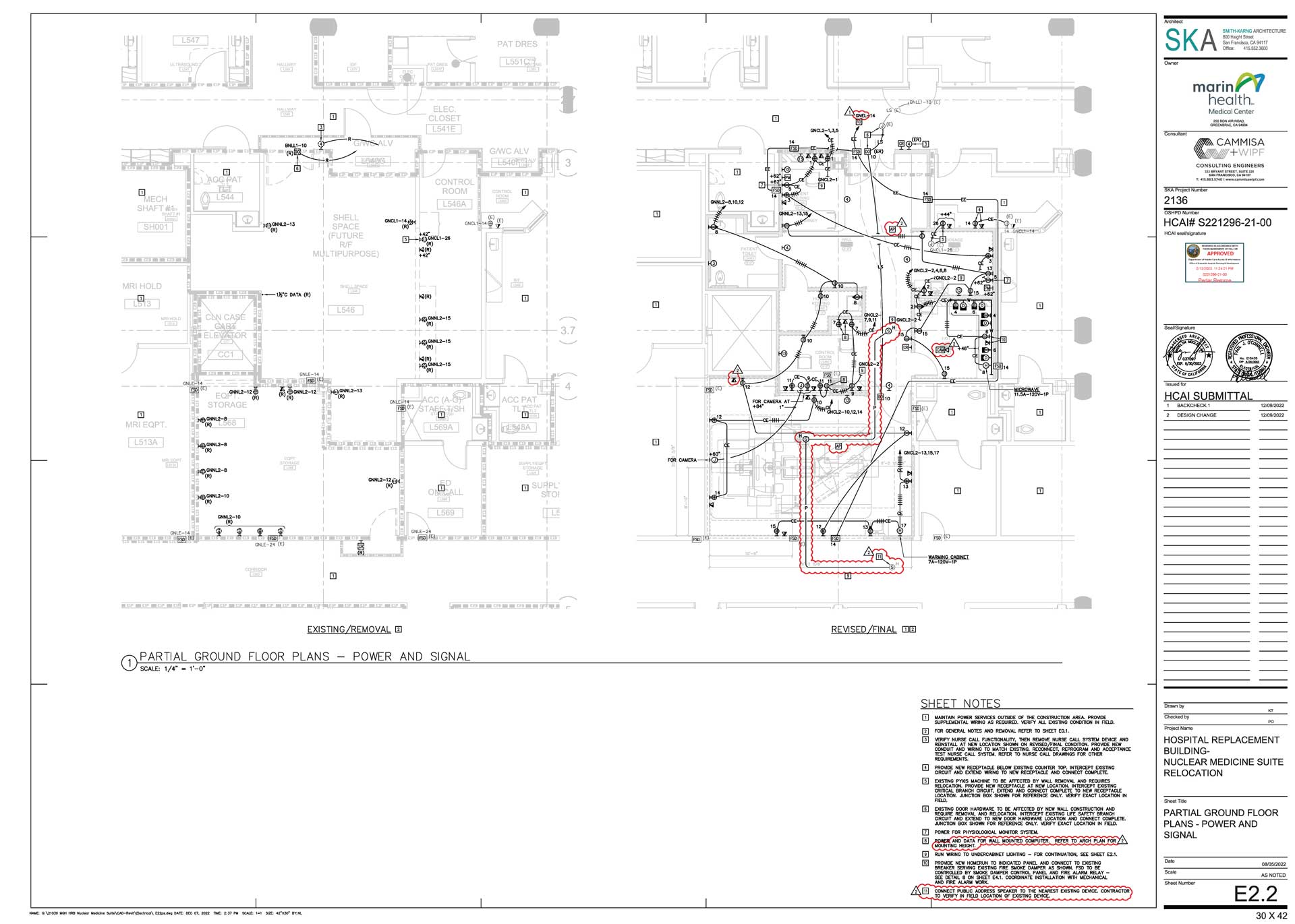
This project was a renovation at Marinhealth Medical Center in Greenbrae, CA.
The scope of work included the conversion of an existing shell space into a new nuclear medical suite.
I acted as Job Captain from kickoff through Construction Administration.

PDF VIEW